КОНВЕРТЕР ВЕЛИЧИН
ОКП 421281
ТУ 4212-028-42334258-2005
ОБЩИЕ СВЕДЕНИЯ
Преобразователи измерительные Сапфир-22 МПС предназначены для непрерывного преобразования значения измеряемого параметра — давления, абсолютного, избыточного, разрежения, гидростатического, и разности давлений нейтральных и агрессивных сред, а так же преобразования уровня в унифицированный токовый выходной сигнал и цифровой сигнал на основе HART-протокола.
Датчики давления предназначены для работы в системах автоматического контроля, регулирования и управления технологическими процессами в различных отраслях промышленности, в том числе для применения во взрывоопасных производствах нефтяной, газовой и химической промышленности, на объектах атомной энергетики (ОАЭ) и для поставок на экспорт.
Преобразователи имеют исполнение по взрывозащите:
а) взрывозащищенное с видом взрывозащиты «искробезопасная электрическая цепь «ia» и уровнем взрывозащиты «особовзрывобезопасный» (0); маркировка взрывозащиты «0ExiaIICT5X» (знак «X» указывает на возможность применения
преобразователя в комплекте с блоками БПС-96ПР или блоками других типов, имеющих вид взрывозащиты «искробезопасная электрическая цепь «ia» для взрывоопасных смесей группы IIC (Uxx < 28 В, 1кз < 120 мА); категория и группа взрывоопасной смеси IICT5;
б) взрывозащищенное с видами взрывозащиты «взрывонепроницаемая оболочка» (d); «специальный» (S); уровнем взрывозащиты «взрывобезопасный» (1); маркировка по взрывозащите «1ExsdIIBT5X» (знак X указывает на возможность применения при температурах окружающего воздуха, указанных ниже);
в) невзрывозащищенное.
Датчик давления взрывозащищенный предназначены для установки во взрывоопасных зонах помещений и наружных установок, согласно документам, регламентирующим применение электрооборудования во взрывоопасных зонах.
Датчик давления, предназначенный для работы на ОАЭ, относятся к классам безопасности 2Н, 2НУ, 3Н, 3НУ, 4Н по ПНАЭ Г-1-011-97 и выпускаются только в невзрывозащищенном исполнении.
Внимание! Предприятием налажен выпуск преобразователей гидростатического давления, модели 2521, 2531, 2541. Технические характеристики представлены в табл.1.6, габаритные и присоединительные размеры на рис. 12, 13.
ТЕХНИЧЕСКИЕ ДАННЫЕ
По устойчивости к климатическим воздействиям окружающей среды датчики давления имеют следующие исполнения по ГОСТ 15150:
- УХЛ* категории размещения 3.1 (группа исполнения В4 по ГОСТ 12997), но для работы при температурах -1..+50 °С;
- УХЛ** категории размещения 3.1 (группа исполнения В4 по ГОСТ 12997), но для работы при температурах -10..+80 °С;
- У* категории размещения 2 (группа исполнения С4 по ГОСТ 12997), но для работы при температурах -30..+50 °С;
- У** категории размещения 2 (группа исполнения С4 по ГОСТ 12997), но для работы при температурах -40..+80 °С;
- По специальному заказу преобразователи могут быть изготовлены на нижний предел температуры эксплуатации до -50 °С. При этом нормальное функционирование
ЖКИ не гарантируется. - Т* категории размещения 3, но для работы при температуре +1..+80 °С; .
- Т** категории размещения 3, но для работы при температуре -10..+80 °С; .
Приборы имеют раздельную настройку нуля и диапазона.
По требованию заказчика датчики давления могут выпускаться перенастраиваемыми на меньшее количество пределов измерений, а также быть изготовленными с единицами давления кгс/м2, кгс/см2, бар и мбар. Датчики давления, поставляемые для использования на ОАЭ, имеют исполнение по материалам, контактирующим с измеряемой средой, — 02.
Потребляемая мощность преобразователя (при напряжении питания 36 В) , ВА, не более 1,0 Степень защиты преобразователей от воздействия пыли и воды IP54.
Масса преобразователя (в зависимости от модели), кг 1,6 — 14.0
Таблица 1.1
| Измеряемый параметр |
Модель | Верхний предел измерений |
Предел допускаемой основной погрешности±γ,% |
|
| кПа | МПа | |||
| ДААбсолютное давление |
2030 | 4,0 | 0,25;0,5 | |
| 6,3 | ||||
| 10,0 | ||||
| 16,0 | ||||
| 25,0 | ||||
| 40,0 | ||||
| 2040 | 25,0 | |||
| 40,0 | ||||
| 63,0 | ||||
| 100,0 | ||||
| 160,0 | ||||
| 250,0 | ||||
| 2050, 2051 | 0,25 | |||
| 0,4 | ||||
| 0,6 | ||||
| 1,0 | ||||
| 1,6 | ||||
| 2,5 | ||||
Таблица 1.2
|
Измеряемый |
Модель |
Верхний предел |
Предел ± γ , % |
|
| кПа | МПа | |||
|
ДИ Избыточное |
2110 | 0,16 |
0,25; |
|
| 0,25 | ||||
| 0,40 | ||||
| 0,60 | ||||
| 1,00 | ||||
| 1,60 | ||||
| 2120 | 1,0 | |||
| 1,6 | ||||
| 2,5 | ||||
| 4,0 | ||||
| 6,0 |
0,2; 0,25; |
|||
| 10,0 | ||||
| 2130 | 4,0 |
0,25; |
||
| 6,0 | ||||
| 10,0 | ||||
| 16,0 |
0,2; 0,25; |
|||
| 25,0 | ||||
| 40,0 | ||||
| 2140 | 25,0 |
0,25; |
||
| 40,0 | ||||
| 60,0 |
0,2; 0,25; |
|||
| 100,0 | ||||
| 160,0 | ||||
| 250,0 | ||||
| 2150 , 2151 |
0,25 |
0,25; |
||
| 0,4 | ||||
| 0,6 |
0,2; 0,25; |
|||
| 1,0 | ||||
| 1,6 | ||||
| 2,5 | ||||
| 2160 , 2161 |
1,6 |
0,25; |
||
| 2,5 | ||||
| 4,0 |
0,2; 0,25; |
|||
| 6,0 | ||||
| 10,0 | ||||
| 16,0 | ||||
| 2170 , 2171 |
10 |
0,25; |
||
| 16 | ||||
| 25 |
0,2; 0,25; |
|||
| 40 | ||||
| 60 | ||||
| 100 | ||||
Таблица 1.3
| Измеряемыйпараметр |
Модель |
Верхний предел |
Предел допускаемой ±γ, % |
|
|
кПа |
МПа |
|||
|
ДВ Разрежение |
2210 |
0,16 |
0,25; 0,5 |
|
|
0,25 |
||||
|
0,40 |
||||
|
0,60 |
||||
| 1,00 | ||||
|
1,60 |
||||
|
2220 |
1,0 |
|||
|
1,6 |
||||
|
2,5 |
||||
|
4,0 |
||||
|
6,0 |
0,2; 0,25; 0,5 |
|||
|
10,0 |
||||
|
2230 |
4,0 |
0,25; 0,5 |
||
|
6,0 |
||||
|
10,0 |
||||
|
16,0 |
||||
|
25,0 |
0,2; 0,25; 0,5 |
|||
|
40,0 |
||||
|
2240 |
25,0 |
0,25; 0,5 |
||
|
40,0 |
||||
|
60,0 |
0,2; 0,25; 0,5 |
|||
|
100,0 |
||||
Таблица 1.4
|
Измеряемый |
Модель | Верхний предел измерений |
Предел ± |
|||
| разрежения |
избыточного |
|||||
| кПа | МПа | кПа | МПа | |||
|
ДИВ Давление- разрежение |
2310 | 0,08 | 0,08 |
0,25; |
||
| 0,125 | 0,125 | |||||
| 0,2 | 0,2 | |||||
| 0,3 | 0,3 | |||||
| 0,5 | 0,5 | |||||
| 0,8 | 0,8 | |||||
|
2320 |
0,5 | 0,5 | ||||
| 0,8 | 0,8 | |||||
| 1,25 | 1,25 | |||||
| 2,0 | 2,0 | |||||
| 3,0 | 3,0 | |||||
| 5,0 | 5,0 | |||||
|
2330 |
2,0 | 2,0 | ||||
| 3,0 | 3,0 | |||||
| 5,0 | 5,0 | |||||
| 8,0 | 8,0 | |||||
| 12,5 | 12,5 | |||||
| 20 | 20 | |||||
|
2340 |
12,5 | 12,5 | ||||
| 20 | 20 | |||||
| 30 | 30 | |||||
| 50 | 50 | |||||
| 100 | 60 | |||||
| 100 | 150 | |||||
|
2350 |
0,1 | 0,15 | ||||
| 0,1 | 0,3 | |||||
| 0,1 | 0,5 | |||||
| 0,1 | 0,9 | |||||
| 0,1 | 1,5 | |||||
| 0,1 | 2,4 | |||||
|
2351 |
0,1 | 0,15 | ||||
| 0,1 | 0,3 | |||||
| 0,1 | 0,5 | |||||
| 0,1 | 0,9 | |||||
| 0,1 | 1,5 | |||||
| 0,1 | 2,4 | |||||
Таблица 1.5
| Измеряемый параметр
|
Модель |
Верхний предел |
Предельно |
Предел γ, % |
||
| кПа | МПа | МПа | ||||
|
ДД Разность
|
0,16 | 4,0 | 0,5 | |||
| 0,25 | ||||||
| 2410 | 0,4 |
0,25; |
||||
| 0,63 | ||||||
| 1,0 | ||||||
| 1,6 | ||||||
| 1,0 | 4,0 ,10,0 |
0,5 | ||||
| 1,6 | ||||||
| 2420 | 2,5 |
0,25; |
||||
| 4,0 | ||||||
| 6,3 |
0,2; 0,25; |
|||||
| 10,0 | ||||||
| 4,0 | 16 ,25 |
0,25; |
||||
| 6,3 | ||||||
| 2430 | 10 | |||||
| 16 |
0,2; 0,25; |
|||||
| 25 | ||||||
| 40 | ||||||
| 4,0 | 40 |
0,25; |
||||
| 6,3 | ||||||
| 2434 | 10 | |||||
| 16 |
0,2; 0,25; |
|||||
| 25 | ||||||
| 40 | ||||||
| 25 | 16 ,25 |
0,25; |
||||
| 40 | ||||||
| 2440 | 63 | |||||
| 100 | 0,2; 0,25; 0,5 |
|||||
| 160 | ||||||
| 250 | ||||||
| 25 | 40 |
0,25; |
||||
| 40 | ||||||
| 2444 | 63 | |||||
| 100 |
0,2; 0,25; |
|||||
| 160 | ||||||
| 250 | ||||||
| 0,4 | 16,0 | 0,25* ,0,5 |
||||
| 0,6 | ||||||
| 2450 | 1,0 | |||||
| 1,6 | ||||||
| 2,5 | ||||||
| 4.0 | 16,0 | |||||
| 2460 | 6.0 | |||||
| 10.0 | ||||||
| 16.0 | ||||||
Таблица 1.6
| Измеряемыйпараметр | Модель |
Верхний |
Предельно допустимое рабочее избыточное давление |
Предел допускаемой основной погрешности±у, % |
|
| кПа | МПа | МПа | |||
|
ДГ Гидростатическое давление |
25202521 | 1,0 | 4,0 |
0,25; |
|
| 1,6 | |||||
| 2,5 | |||||
| 4,0 | |||||
| 6,0 | |||||
| 10 | |||||
| 25302531
|
4,0 | 4,0 | |||
| 6,3 | |||||
| 10 | |||||
| 16 | |||||
| 25 | |||||
| 40 | |||||
| 25402541 | 25 | 4,0 | |||
| 40 | |||||
| 63 | |||||
| 100 | |||||
| 160 | |||||
| 250 | |||||
КОНСТРУКЦИЯ И ПРИНЦИПЫ ДЕЙСТВИЯ
Датчик давления состоит из измерительного и электронного блоков. Все преобразователи имеют унифицированный электронный блок и отличаются только конструкцией измерительного блока. Преобразователи выпускаются с цифровым индикатором.
Принцип действия преобразователей основан на воздействии измеряемого давления (разности давления) на мембраны измерительного блока (для моделей 2051, 2151, 2161, 2171, 2351 на мембрану тензопреобразователя), что вызывает деформацию упругого чувствительного элемента и изменение сопротивления тензорезисторов тензопреобразователя. Это изменение преобразуется в электрический сигнал, который передается от тензопреобразователя из измерительного блока в электронный преобразователь, и далее в виде стандартного токового унифицированного сигнала [(0-5), (4-20), (5-0) или (20-4)]мА.
Электронный блок преобразователей Сапфир- 22МПС выполнен на одной плате.
Параметры питания:
- для искробезопасного исполнения — от отдельного искробезопасного блока питания;
- для взрывобезопасного и невзрывозащищенного исполнения — от блока питания постоянного тока напряжением 36±0,72В (четырехпроводная линия связи) и от 16 до 30В (двухпроводная линия связи)
Управление работой датчика давления осуществляется микропроцессором.
Внешний вид платы электронного преобразователя представлен на рисунке 1. На плате установлены 3 кнопки управления, обеспечивающие корректировку «нуля» и «диапазона измерения».
Микропроцессорная плата Сапфир-22МПС с корректирующим датчиком температуры легко устанавливается взамен старых плат в электронные блоки выпускаемых в РФ аналоговых преобразователей типа Сапфир-22 и др.
Таблица 2.
Обозначение исполнения преобразователя по материалам, контактирующим с измеряемой
средой
|
Обозначение |
Материал мембран |
Фланцы преобразователя, пробки для дренажа и продувки, |
|
|
Материал |
Маркировка деталей |
||
|
01 |
Сплав 36НХТЮ |
Углеродистая сталь с |
80 |
|
02 |
Сплав 36НХТЮ |
Сталь12Х18Н10Т |
15 |
|
07 |
Тантал |
Сталь12Х18Н10Т |
15 |
|
11 |
Титановый сплав |
Сталь12Х18Н10Т |
15 |
|
12 |
Титановый сплав |
Титановый сплав |
62 |
| 09 |
Титановый сплав |
Сталь12Х18Н10Т |
15 |
Примечания.
Материал уплотнительных колец — фторопласт или специалные марки резины.
Материал уплотнительных металлических прокладок — медь или нержавеющие сплавы.
По требованию заказчика при заказе преобразователя исполнения по материалам 07 фланцы, пробки для дренажа и продувки, ниппель, монтажный фланец, корпус клапанного блока могут изготовляться из сплава 06ХН28МДТ, с маркировкой деталей 28. При этом исполнение преобразователя по материалам определяется материалом мембраны.
В исполнении 11, 12 выпускаются только преобразователи Сапфир-22МПС моделей 2051, 2151, 2161, 2171.
КОМПЛЕКТНОСТЬ ПОСТАВКИ
Таблица 3
| Наименование | Количество | Примечание |
| Преобразователь |
1 шт. |
В соответствии с |
| Паспорт |
1 |
|
| Руководство по эксплуатации |
1 |
1 экземпляр на 10 датчиков давления, но |
|
Методика поверки МИ |
1 |
1 экземпляр на 10 датчиков давления, но не менее одного |
|
Комплект монтажных |
1 |
В соответствии с заказом и таб. |
ПРИМЕР ЗАПИСИ ПРИ ЗАКАЗЕ
1. Сокращённое наименование преобразователя.
2. Исполнение по взрывозащите проставляется для взрывозащищённого исполнения.
Ех — «искробезопасная электрическая цепь».
Вн — «взрывонепроницаемая оболочка».
3. Модель по табл. 1.
4. При заказе датчиков давления предназначенных для использования на ОАЭ следует поставить букву «А». При заказе преобразователя с приработкой 360 часов букву — «П».
5. Обозначение исполнения по материалам табл. 2.
6. *Обозначение вида климатического исполнения и диапазон температур, отличный от установленных для основных вариантов исполнений.
7. Предел допускаемой основной погрешности по табл.1.
8. Верхний предел измерения, с указанием единицы измерения по табл. 1.
9. Предельно допускаемое рабочее избыточное давление в МПа по табл. 1.
10. Код выходного сигнала: 05-(0…5 мА); 50- (5…0 мА); 42-(4…20 мА); 24-(20.. .4 мА).
11. Код скобы и кронштейна по табл. 4.
12. Код комплекта монтажных частей по табл. 4 проставляется только при заказе комплекта.
13. Код вентильного блока «В», указывается согласно примечанию 4.
14. При заказе датчика давления с разъемом следует поставить букву «Р».
15. Наличие HART-протокола.
Примечания.
1.Диафрагмы и уравнительные сосуды, используемые совместно с преобразователями в комплектах расходомеров и уровнемеров, поставляются по отдельному заказу.
2.В случае необходимости, в конце условного обозначения указываются пределы перенастройки, требуемые в эксплуатации.
3.При заказе преобразователя модели 23ХХ в поз. 8 указывается только значение верхнего предела измерений избыточного давления.
4.Код вентильного блока (поз. 13) указывается только при заказе преобразователя модели 24ХХ.
5.Предельно допускаемое рабочее избыточное давление (поз. 9) указывается только при заказе преобразователя модели 24ХХ.
6.Код скобы и кронштейна (поз. 11) указывается только при заказе преобразователя с комплектом монтажных частей, включающим скобу и кронштейн.
Таблица 4
|
Код |
Монтажные части |
|
К1/2 |
Монтажный фланец с резьбовым отверстием К |
|
К1/4 |
Монтажный фланец с резьбовым отверстием К |
|
М20 |
Ниппель с накидной гайкой |
|
СК |
Скоба, кронштейн |
Примечания.
1.При заказе преобразователя с ниппелем, код монтажных частей в условном обозначении преобразователя не указывается.
2.Код монтажных частей не указывается в условном обозначении преобразователя модели 2150, 2151, 2160, 2161, 2170, 2171, 2350, 2351.
3.Код М20 указывается только в условном обозначении преобразователя модели 2110, 2120, 2130, 2140, 2210, 2220, 2230, 2240, 2310, 2320, 2330, 2340, 24ХХ, 25ХХ.
4.Код СК не указывается в условном обозначении преобразователя, если заказывается комплект монтажных частей без скобы и кронштейна для модели 2110, 2120, 2130, 2140, 2210, 2220, 2230, 2240, 2310, 2320, 2340, 24ХХ и для преобразователя 24ХХ с вентильным блоком.
Рис.1. Внешний вид платы электронного преобразователя
Рис.2. Установочные, габаритные и присоединительные размеры преобразователей
Сапфир-22МПС моделей 2030, 2040, 2110, 2120, 2130, 2140, 2210, 2220, 2230, 2240, 2310, 2320, 2330, 2340 в исполнении «искробезопасная электрическая цепь» или в невзрывозащищенном исполнении
Преобразователь с установленным ниппелем.
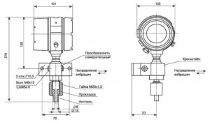
Рис.3. Габаритные, установочные и присоединительные размеры преобразователей Сапфир-22МПС моделей 2030, 2040, 2110, 2120, 2130, 2140, 2210, 2220, 2230, 2240, 2310, 2320, 2330, 2340 в исполнении «взрывонепроницаемая оболочка»
Рис.4. Габаритные, установочные и присоединительные размеры преобразователей
Сапфир-22МПС моделей 2050, 2150, 2160, 2170, 2350 в исполнении «искробезопасная электрическая цепь» или в невзрывозащищенном исполнении
Рис.5. Габаритные, установочные и присоединительные размеры преобразователей Сапфир-22МПС моделей 2050, 2150, 2160, 2170, 2350 в исполнении «взрывонепроницаемая оболочка»
Рис.6. Габаритные, установочные и присоединительные размеры преобразователей Сапфир-22МПС моделей 2051, 2151, 2161, 2171, 2351 в исполнении «искробезопасная электрическая цепь» или в незврывозащищенном исполнении
Рис.7. Габаритные, установочные и присоединительные размеры преобразователей Сапфир-22МПС моделей 2051, 2151, 2161, 2171, 2351 в исполнении «взрывонепроницаемаяоболочка»
Рис.8. Габаритные, установочные и присоединительные размеры преобразователей Сапфир-22МПС моделей 2410, 2420, 2430, 2434, 2440, 2444,2450, 2460 в невзрывозащищенном исполнении и исполнении «искробезопасная электрическая цепь»
Преобразователь с установленным ниппелем
Рис.9. Габаритные, установочные и присоединительные размеры преобразователей Сапфир-22МПС моделей 2410, 2420, 2430, 2434, 2440, 2444, 2450, 2460 в исполнении «взрывонепроницаемая оболочка»
Датчик давления с установленным ниппелем
Рис.10. Габаритные, установочные и присоединительные размеры преобразователей Сапфир-22МПС моделей 2520, 2530, 2540 в исполнении «искробезопасная электрическая цепь» или в невзрывозащищенном исполнении Преобразователь с установленным ниппелем
Рис.11. Габаритные, установочные и присоединительные размеры преобразователей Сапфир-22МПС моделей 2520, 2530, 2540 в исполнении «взрывонепроницаемая оболочка»
Преобразователь с установленным ниппелем
Рис.12. Габаритные, установочные и присоединительные размеры преобразователей Сапфир-22МПС моделей 2521, 2531, 2541 в исполнении «искробезопасная электрическая цепь»
Преобразователь с установленным ниппелем
Рис.13. Габаритные, установочные и присоединительные размеры преобразователей Сапфир-22МПС моделей 2521, 2531, 2541 в исполнении «взрывонепроницаемая оболочка»
Преобразователь с установленным ниппелем
Рис.14. Схемы электрические подключения
Еще не подписаны на наш telegram канал? Ждем Вас. Перейдите по ссылке
















